江苏腾嘉测控技术有限公司
Jiangsu tengjia measurement and control technology co. LTD
400-998-9770

便携式超声波

浏览次数:4677
TJLSZ手持式超声波流量计实现了液体流量的非接触式测量。只需要将传感器安装在管道外壁,即可完成对流量的测量。具有体积小、携带方便、测量准确的特点。广泛应用于自来水、供暖、水利、冶金、化工、机械、能源等行业。可以用做生产监测、流量校验、临时检测、流量巡查、水平衡调试、热网平衡调试、节能监测, 是流量即时检测必备的工具仪表。
400-998-9770

工程师一对一服务
商品详情
技术选型
经典案例
售后承诺
联系我们

 

  手持式超声波流量计实现了液体流量的非接触式测量。只需要将传感器安装在管道外壁,即可完成对流量的测量。具有体积小、携带方便、测量准确的特点。广泛应用于自来水、供暖、水利、冶金、化工、机械、能源等行业。可以用做生产监测、流量校验、临时检测、流量巡查、水平衡调试、热网平衡调试、节能监测, 是流量即时检测必备的工具仪表。

非接触式测量方式、体积小、重量轻、携带方便

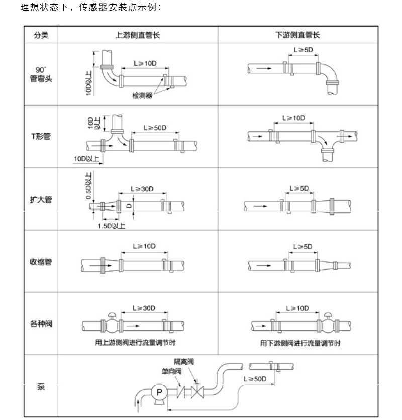
传感器安装简便,适用于测量各种大小管道导声介质

测量过程中不需要破坏管道,不需停产

内置可充电电池,可连续工作12小时以上

结构紧凑、坚固,国际先进的压铸铝主机

自动记忆前64天,前64月,前5年的累积流量

 

背光液晶全中文显示瞬时流量及正、负、静累计流量、流速、时间、模拟输入等 数据

 

 

产品质量承诺

1. 严格按合同要求,提供符合设计标准,质量合格的产品。

2. 严格检查和控制原材料、原器件、配套件的进厂质量。

3. 作为设备总承包单位,对用户负全面质量责任,组织各协作配套生 产单位,联保设备整体质量,保证按合同完成任务。

4. 按合同规定向监造单位提供有关标准和图纸,并为监造提供方便。

5. 对设备制造过程中出现的质量缺陷及时向需方和监造代表通报,不 隐瞒,若设备缺陷超过合同规定的标准,供方无条件返修或更换。在安装和 试运过程中,设备出现质量问题,先处理问题,再分清责任,一切以满足工 程进度需要为准则。

技术服务承诺

1. 及时向需方提供按合同规定的全部技术资料和图纸,有义务在必要时邀请需方参与供方的技术设计审查 www.copyprot.com

2. 按需方要求的时间到现场进行技术服务best replica watches ,指导需方按供方的技术资料和图纸要求进行安装、分部与整套试运及试生产。

3. 对于需方选购的与合同设备有关的配套设备,供方应主动提供满足设备接口要求的技术条件和资料。

4. 按合同规定为需方举办有关设备安装、调试、使用、维护技术的业务培训班。加强售前、售中、售后服务,把”24 小时服务”,“超前服务”、“全过程服务”、终身服务“贯彻在产品制造、安装、调试、大修的全过程。接到需方反映质量问题信息,在 24 小时内作为答复或派出服务人员,尽快到达现场,做到用户不满意,服务不停止,24 小时服务热线:18015147885

 

 

 

 

江苏腾嘉测控技术有限公司

Jiangsu tengjia measurement and control technology co. LTD 

地  址:江苏省淮安市金湖县金北街道工业集中区二桥北路西侧21-23号

客服电话:400-998-9770

24小时服务热线:18015147885

  箱:56604841@qq.com