江苏腾嘉测控技术有限公司
Jiangsu tengjia measurement and control technology co. LTD
400-998-9770

管道式超声波流量计

浏览次数:11154
TJLSZ管道式超声波流量计利用了低电压,多脉冲时差原理,采用高精度和稳定的双平衡信号差分发射、差分接收数字检测技术来测量顺流和逆流方向的声波传输时间,根据时差计算出流速。具有稳定性好、零点漂移小、测量精度高,量程比宽抗干扰性强等特点。
400-998-9770

工程师一对一服务
商品详情
技术选型
经典案例
售后承诺
联系我们

 

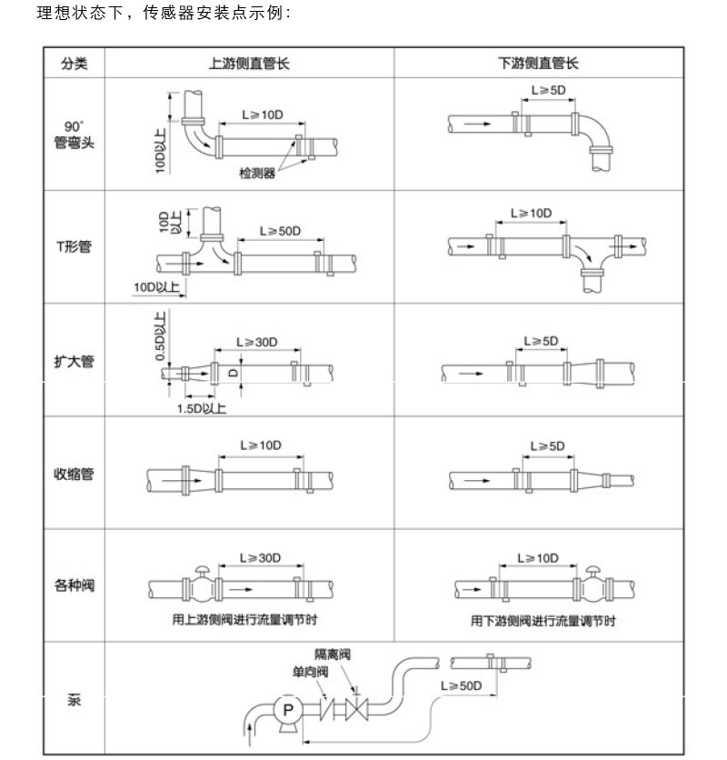
  管道式超声波流量计利用了低电压,多脉冲时差原理,采用高精度和稳定的双平衡信号查分发射、差分接收数字检测技术来测量顺流和逆流方向的声波传输时间,根据时差计算出流速。具有非常简单的安装方式,无需破管,无需停水,使客户轻松实现灵活的管道流量的测量。产品还可以配备安装夹具,无需日常维护、长期提供可信、无漂移的测量。它采用了先进的数字相关技术和智能自适应声波技术,是它的测量稳定性更加突出。同时它使用的声聚焦技术,使产品在连续测量时的信号接收品质得到显著增强。

大屏幕液晶显示,可同时显示累积流量、瞬时流量、流速、工作状态等。

测量范围大,选用不同型号的传感器,可实现口径DN15~DN6000管道流量的测量。

独特的信号数字化处理技术,使仪表测量信号更稳定、抗干扰能力强、计量更准确。

无机械传动部件不容易损坏,免维护,寿命长。

电路更优化、集成度高;功耗低、可靠性高。

智能化标准信号输出,人机界面友好、多种二次信号输出,供您任意选择。

传输距离远、组网快速,RS485支持无线组网,配接GPRS模块实现无线传输。

 
 
 
 
 
 
 
 

产品质量承诺

1. 严格按合同要求,提供符合设计标准,质量合格的产品。

2. 严格检查和控制原材料、原器件、配套件的进厂质量。

3. 作为设备总承包单位,对用户负全面质量责任,组织各协作配套生 产单位,联保设备整体质量,保证按合同完成任务。

4. 按合同规定向监造单位提供有关标准和图纸,并为监造提供方便。

5. 对设备制造过程中出现的质量缺陷及时向需方和监造代表通报,不 隐瞒,若设备缺陷超过合同规定的标准,供方无条件返修或更换。在安装和 试运过程中,设备出现质量问题,先处理问题,再分清责任,一切以满足工 程进度需要为准则。

技术服务承诺

1. 及时向需方提供按合同规定的全部技术资料和图纸,有义务在必要时邀请需方参与供方的技术设计审查 www.copyprot.com

2. 按需方要求的时间到现场进行技术服务best replica watches ,指导需方按供方的技术资料和图纸要求进行安装、分部与整套试运及试生产。

3. 对于需方选购的与合同设备有关的配套设备,供方应主动提供满足设备接口要求的技术条件和资料。

4. 按合同规定为需方举办有关设备安装、调试、使用、维护技术的业务培训班。加强售前、售中、售后服务,把”24 小时服务”,“超前服务”、“全过程服务”、终身服务“贯彻在产品制造、安装、调试、大修的全过程。接到需方反映质量问题信息,在 24 小时内作为答复或派出服务人员,尽快到达现场,做到用户不满意,服务不停止,24 小时服务热线:18015147885

 

 

 

 

江苏腾嘉测控技术有限公司

Jiangsu tengjia measurement and control technology co. LTD 

地  址:江苏省淮安市金湖县金北街道工业集中区二桥北路西侧21-23号

客服电话:400-998-9770

24小时服务热线:18015147885

  箱:56604841@qq.com