江苏腾嘉测控技术有限公司
Jiangsu tengjia measurement and control technology co. LTD
400-998-9770

不锈钢耐震压力表

浏览次数:6843
TJ-YN系列耐震压力表主要用于冶金、电力、石油、化工、轻 工、机械等工业部门的压力检测。压力表依靠内部充灌阻尼油和配套缓冲装置等措施,具有良好的耐震性能
400-998-9770

工程师一对一服务
商品详情
技术选型
经典案例
售后承诺
联系我们

  不锈钢耐震压力表外壳与内部原件均采用不锈钢材质制成,在表体内充装硅油,使压力表的指针起到减震、抗震的作用。不锈钢耐震压力表即有耐震压力表的耐震性能,又具有不锈钢压力表的耐腐蚀性能,不锈钢耐震压力表适用于工矿现场振动性较大,并且被测量的介质具有腐蚀性的场合。

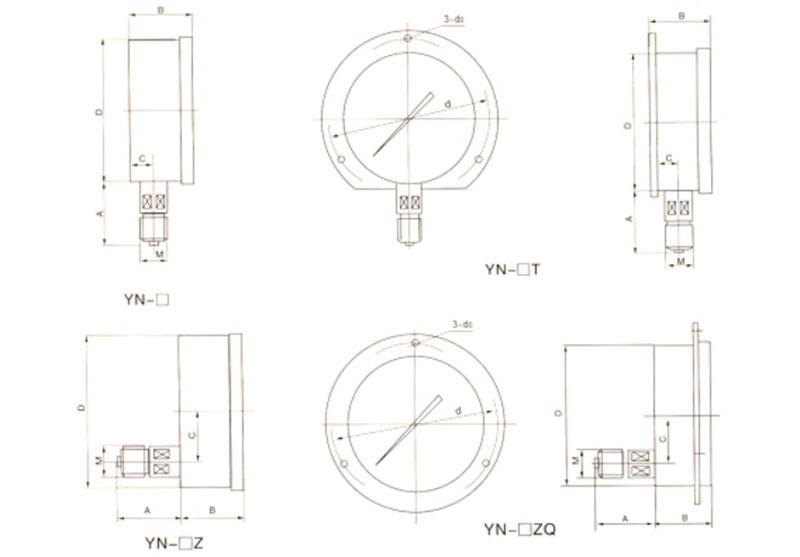
径向全不锈钢压力表精度 ±2.0%

表壳尺寸 100mm(4.25英寸)

表壳材质 304不锈钢

表壳形式 安全壳构造,隔板装置后释放

及接体 316不锈钢管同316不锈钢接体氩弧焊接

机芯 316不锈钢

连接形式 M20×1.5 或 1/2 NPT 底部连接,或背部连接(径向全不锈钢压力表/轴向全不锈钢压力表)

测量范围 0.1~0 MPa,0.1~100MPa,160MPa,350MPa

指针 普通

表玻璃 有机玻璃、安全型双层玻璃全不锈钢压力表

充填材质 甘油98%(可选择硅油、氟油或其它类别)

防护等级 IP 65

温度环境及工作介质温度不应超过:

充液型径向全不锈钢压力表 0~140℉;

普通型径向全不锈钢压力表 46~145℉ 

 

 

 

产品质量承诺

1. 严格按合同要求,提供符合设计标准,质量合格的产品。

2. 严格检查和控制原材料、原器件、配套件的进厂质量。

3. 作为设备总承包单位,对用户负全面质量责任,组织各协作配套生 产单位,联保设备整体质量,保证按合同完成任务。

4. 按合同规定向监造单位提供有关标准和图纸,并为监造提供方便。

5. 对设备制造过程中出现的质量缺陷及时向需方和监造代表通报,不 隐瞒,若设备缺陷超过合同规定的标准,供方无条件返修或更换。在安装和 试运过程中,设备出现质量问题,先处理问题,再分清责任,一切以满足工 程进度需要为准则。

技术服务承诺

1. 及时向需方提供按合同规定的全部技术资料和图纸,有义务在必要时邀请需方参与供方的技术设计审查 www.copyprot.com

2. 按需方要求的时间到现场进行技术服务best replica watches ,指导需方按供方的技术资料和图纸要求进行安装、分部与整套试运及试生产。

3. 对于需方选购的与合同设备有关的配套设备,供方应主动提供满足设备接口要求的技术条件和资料。

4. 按合同规定为需方举办有关设备安装、调试、使用、维护技术的业务培训班。加强售前、售中、售后服务,把”24 小时服务”,“超前服务”、“全过程服务”、终身服务“贯彻在产品制造、安装、调试、大修的全过程。接到需方反映质量问题信息,在 24 小时内作为答复或派出服务人员,尽快到达现场,做到用户不满意,服务不停止,24 小时服务热线:18015147885

 

 

 

 

江苏腾嘉测控技术有限公司

Jiangsu tengjia measurement and control technology co. LTD 

地  址:江苏省淮安市金湖县金北街道工业集中区二桥北路西侧21-23号

客服电话:400-998-9770

24小时服务热线:18015147885

  箱:56604841@qq.com