江苏腾嘉测控技术有限公司
Jiangsu tengjia measurement and control technology co. LTD
400-998-9770

WRNK-406/436/496铠装热电偶

浏览次数:5851
TJ-WRNK铠装热电偶作为温度测量传感器,通常与温度变送器、调节器及显示仪表等配套使用,组成过程控制系统,用以直接测量或控制各种生产过程中0-1800℃范围内的流体、蒸汽和气体介质以及固体表面等温度。铠状热电偶具有能弯曲、耐高压、热响应时间快和坚固耐用等许多优点,它和工业用装配式热电偶一样,作为测量温度的传感器,通常和显示仪表、记录仪表和电子调节器配套使用。
400-998-9770

工程师一对一服务
商品详情
技术选型
经典案例
售后承诺
联系我们

 

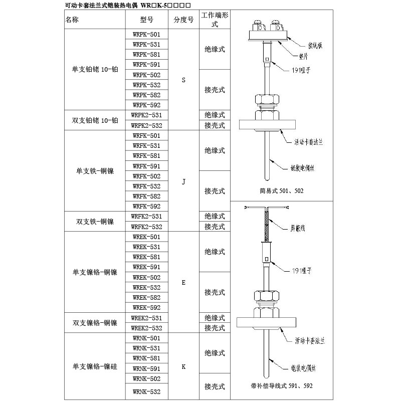
  铠装热电偶的工作原理是由两种不同成分的导体两端经焊接,形成回路,直接测量端叫测量端,接线端子叫参比端。当测量端和参比端存在温差时,就会在回路中产生热电流,接上显示仪表,仪表上就会指示出热电偶所产生的热电式的对应温度值。铠装热电偶的热电势将随着测量端的温度升高而增长,热电势的大小只和铠装热电偶导体材质以及两端温度有关,和热电极的长度、直径无关。铠装热电偶的结构是由导体、绝缘氧化模和 l Cr 1 8Ni9Ti 不锈钢保护管多次拉制而成。铠装热电偶产品主要由接线盒、接线端子和铠装热电偶组成基本结构,并配以各种固定装置组成。

 

产品质量承诺

1. 严格按合同要求,提供符合设计标准,质量合格的产品。

2. 严格检查和控制原材料、原器件、配套件的进厂质量。

3. 作为设备总承包单位,对用户负全面质量责任,组织各协作配套生 产单位,联保设备整体质量,保证按合同完成任务。

4. 按合同规定向监造单位提供有关标准和图纸,并为监造提供方便。

5. 对设备制造过程中出现的质量缺陷及时向需方和监造代表通报,不 隐瞒,若设备缺陷超过合同规定的标准,供方无条件返修或更换。在安装和 试运过程中,设备出现质量问题,先处理问题,再分清责任,一切以满足工 程进度需要为准则。

技术服务承诺

1. 及时向需方提供按合同规定的全部技术资料和图纸,有义务在必要时邀请需方参与供方的技术设计审查 www.copyprot.com

2. 按需方要求的时间到现场进行技术服务best replica watches ,指导需方按供方的技术资料和图纸要求进行安装、分部与整套试运及试生产。

3. 对于需方选购的与合同设备有关的配套设备,供方应主动提供满足设备接口要求的技术条件和资料。

4. 按合同规定为需方举办有关设备安装、调试、使用、维护技术的业务培训班。加强售前、售中、售后服务,把”24 小时服务”,“超前服务”、“全过程服务”、终身服务“贯彻在产品制造、安装、调试、大修的全过程。接到需方反映质量问题信息,在 24 小时内作为答复或派出服务人员,尽快到达现场,做到用户不满意,服务不停止,24 小时服务热线:18015147885

 

 

 

 

江苏腾嘉测控技术有限公司

Jiangsu tengjia measurement and control technology co. LTD 

地  址:江苏省淮安市金湖县金北街道工业集中区二桥北路西侧21-23号

客服电话:400-998-9770

24小时服务热线:18015147885

  箱:56604841@qq.com