江苏腾嘉测控技术有限公司
Jiangsu tengjia measurement and control technology co. LTD
400-998-9770

WZP-240隔爆热电阻

浏览次数:2636
TJ-WZP系列隔爆热电阻通常和显示仪表、记录仪表、电子计算机等配套使用。直接测量生产现场存在碳氢化合物等爆炸的0~500℃范围内液体、蒸汽和气体介质以及固体表面温度。
400-998-9770

工程师一对一服务
商品详情
技术选型
经典案例
售后承诺
联系我们

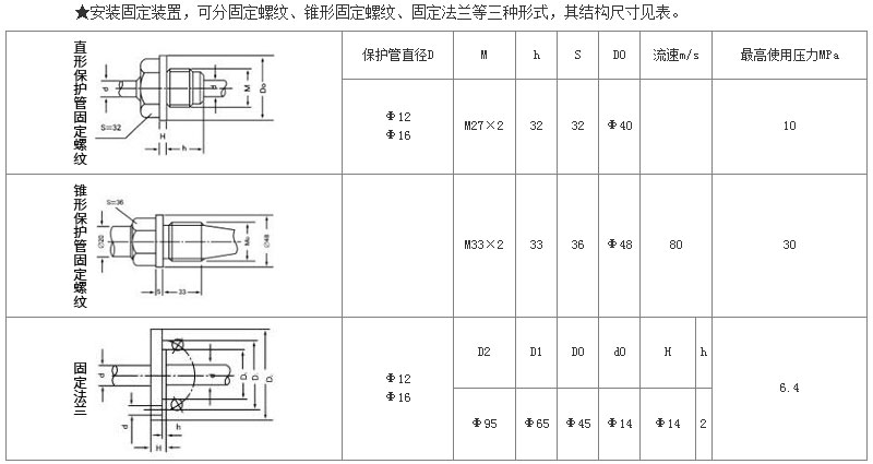
  隔爆热电阻和装配式热电阻的结构,原理基本相同,所区别的是隔爆型产品的接线盒(外壳)在设计上采用防爆特殊的结构,接线盒用高强度铝合金压铸而成,并具有足够的内部空间、壁厚和机械强度、橡胶密封圈的热稳定性符合国家防爆标准,所以,当接线盒内部的爆炸性混合气体发生爆炸时,其内压不会破坏接线盒,而由此产生的热能不能向外扩散、传爆。由于产品采用上述防爆特殊结构,使产品完全符合使用在dⅡBT4或dⅡCT6防爆温度级别区间范围内,只要用户严格遵守产品使用规则,产品就能达到可靠的防爆效果。

 

 

产品质量承诺

1. 严格按合同要求,提供符合设计标准,质量合格的产品。

2. 严格检查和控制原材料、原器件、配套件的进厂质量。

3. 作为设备总承包单位,对用户负全面质量责任,组织各协作配套生 产单位,联保设备整体质量,保证按合同完成任务。

4. 按合同规定向监造单位提供有关标准和图纸,并为监造提供方便。

5. 对设备制造过程中出现的质量缺陷及时向需方和监造代表通报,不 隐瞒,若设备缺陷超过合同规定的标准,供方无条件返修或更换。在安装和 试运过程中,设备出现质量问题,先处理问题,再分清责任,一切以满足工 程进度需要为准则。

技术服务承诺

1. 及时向需方提供按合同规定的全部技术资料和图纸,有义务在必要时邀请需方参与供方的技术设计审查 www.copyprot.com

2. 按需方要求的时间到现场进行技术服务best replica watches ,指导需方按供方的技术资料和图纸要求进行安装、分部与整套试运及试生产。

3. 对于需方选购的与合同设备有关的配套设备,供方应主动提供满足设备接口要求的技术条件和资料。

4. 按合同规定为需方举办有关设备安装、调试、使用、维护技术的业务培训班。加强售前、售中、售后服务,把”24 小时服务”,“超前服务”、“全过程服务”、终身服务“贯彻在产品制造、安装、调试、大修的全过程。接到需方反映质量问题信息,在 24 小时内作为答复或派出服务人员,尽快到达现场,做到用户不满意,服务不停止,24 小时服务热线:18015147885

 

 

 

 

江苏腾嘉测控技术有限公司

Jiangsu tengjia measurement and control technology co. LTD 

地  址:江苏省淮安市金湖县金北街道工业集中区二桥北路西侧21-23号

客服电话:400-998-9770

24小时服务热线:18015147885

  箱:56604841@qq.com